2024-12-12 14:56:38南通松江HJ-9701 防火門監控器接線安裝技術
一、概述松江HJ-9701防火門監控器(以下簡稱監控器)是我公司最新研制開發,面向民 用和工業雙重領域的新一代消防產品,具有高智能、小型化、多功能、高可靠 性等特點。該監控器是在跟蹤消防監測技術的最新發展方向,并結合我公司多 年來在工業領域及民用建筑中應用電壓監測產品所積累下的大......
了解詳情上海松江飛繁電子有限公司
公司地址:常熟市黃河路275號
聯系電話:4006-598-119
公司郵箱:1334605518@qq.com

一、概述松江HJ-9701防火門監控器(以下簡稱監控器)是我公司最新研制開發,面向民 用和工業雙重領域的新一代消防產品,具有高智能、小型化、多功能、高可靠 性等特點。該監控器是在跟蹤消防監測技術的最新發展方向,并結合我公司多 年來在工業領域及民用建筑中應用電壓監測產品所積累下的大......
了解詳情
松江HJ-9701BA 防火門監控器接線安裝技術一、概述 HJ-9701BA 防火門監控器(以下簡稱監控器)是我公司最新研制開發,面向 民用和工業雙重領域的新一代消防產品,具有高智能、小型化、多功能、高可 靠性等特點。該監控器是在跟蹤消防監測技術的最新發展方向,并結合我公司 多年......
了解詳情
松江HJ-9503中繼模塊接線安裝技術一.安裝說明:HJ-9503 中繼模塊的安裝,通用于 86 暗盒;安裝在總線回路中。1.輕壓盒體下側并向外拉,將盒體與方形底板分離。2.用 2 只 M4×25mm 螺釘將方形底板與墻內的 86 暗盒固定住。水平的孔距為 60mm。3.接線端子......
了解詳情
松江HJ-9502輸入模塊接線安裝技術一.安裝說明:HJ-9502輸入模塊的安裝,通用于 86 暗盒;在被控消防設備附近。1.輕壓盒體下側并向外拉,將盒體與方形底板分離。2.用 2 只 M4×25mm 螺釘將方形底板與墻內的 86 暗盒固定住。水平的孔距為 60mm。3.接線端子......
了解詳情
松江HJ-9502-B防爆輸入模塊接線安裝技術一、概述 HJ-9502-B 為防爆輸入模塊,防爆輸入模塊通過二根信號總線(S+,S-)和火災報警控制器連接,將易燃易爆 場所中信號閥、壓力開關、水流指示器等現場設備報警信號發送給報警控制器。本產品符合 GB3836.1-20 10《......
了解詳情
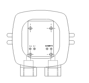
安裝說明:HJ-9502(防火門)輸入模塊的安裝,通用于86暗盒:在防火門門磁開關附近。1.輕壓盒體下側并向外拉,將盒體與方形底板分商。2.用 2 只 M4x25mm 螺釘將方形底板與墻內的 86 暗盒固定住。水平的孔距為 60mm。3.按線端子:在模塊的左面端子排,自上到下端子......
了解詳情
一.安裝說明:本輸入輸出模塊的安裝,通用于86 暗盒;在被控消防設備附近。輕壓盒體下側并向外拉,將盒體與方形底板分商。用 2 只 M4x25mm 螺釘將方形底板與墻內的 86 暗盒固定住。水平的孔距為 60mm。按線端子:在模塊的左端子排,自上到下端子為 S+、S-、24V、GN......
了解詳情
松江HJ-9501-B 使用說明書一、概述松江HJ-9501-B 為防爆輸入/輸出模塊,防爆輸入/輸出模塊通過二根信號總線(S+,S-)與火災報警控制器連接,控制易燃易爆場所中排煙閥、防火閥、防火卷簾門、聲光報警器等現場設備。模塊內設有兩對常開/常閉轉換觸點,繼電器工作電壓為 D......
了解詳情